图纸之家

18年专注农村私人别墅设计

开创别墅定制新模式专业省心省钱

 

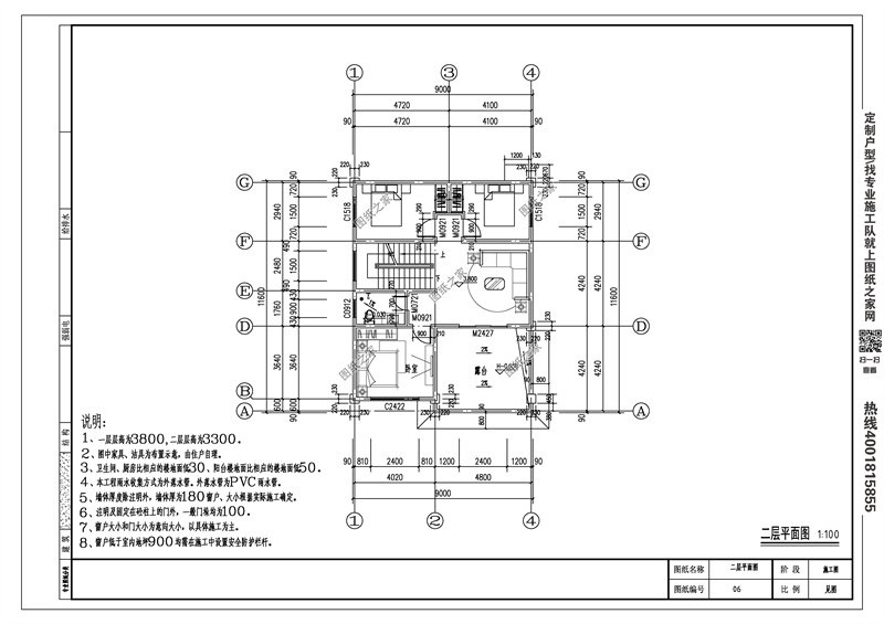
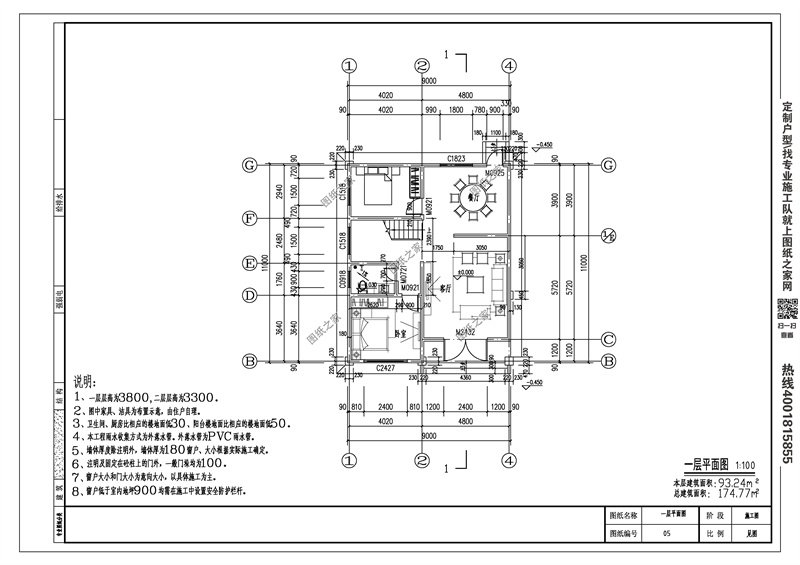
图纸之家E2309效果图和户型图展示

图纸之家E2309效果图和户型图展示

图纸之家E2309效果图和户型图展示

图纸之家E2309效果图和户型图展示

图纸之家E2309效果图和户型图展示

为什么选择我们?

专业

专业:专注别墅设计18年

我们是国内唯一一家只专注自建房设计的公司,用互联网模式颠覆传统设计公司,至今已为全国85万客户服务,我们坚信只有专注才能做到最好。

省心

省心:通过微信、电话沟通

为您提供方便、快捷、低成本的别墅定制服务,通过微信、电话沟通即可,只需要把您的想法说出来,设计师1对1设计到满意为止。

省钱

省钱:让老百姓设计得起

彻底颠覆传统设计公司一年不开张,开张吃三年的现状,通过互联网高效、快捷、低成本的优势,把别墅定制费用降到最低,真正让老百姓设计得起。